Otevřeno  Po - Pá   7 - 17  / SO  8 - 12

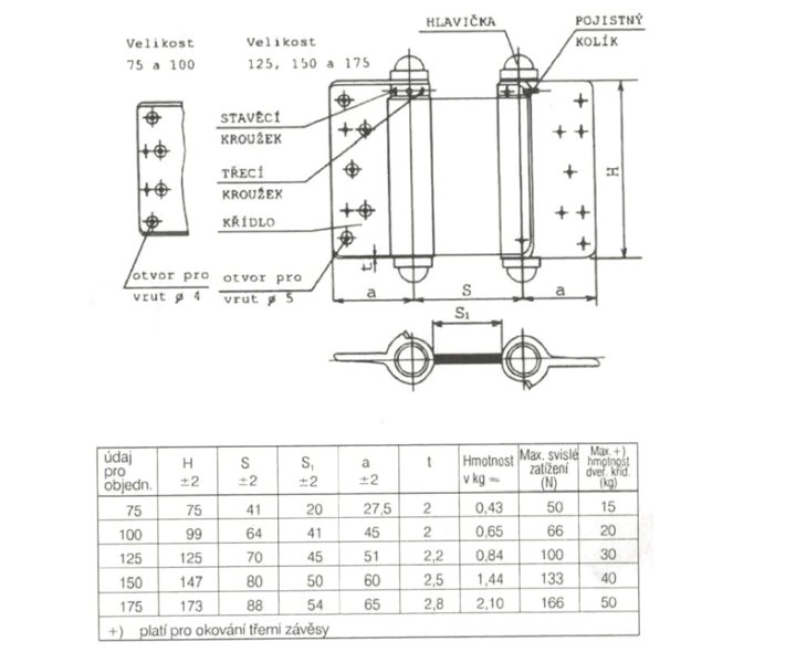
Pružinový závěs Ms

Pružinové závěsy vhodné pro obousměrně otevírané brány a dveře, které se mají po otevření vrátit do původního stavu. Uplatní se například pro kuchyňské lítačky, westernová barová dvířka, dveře ve stájích nebo v provozech, kde dochází k častému otevírání dveří.

Pomocí napínací páky a zarážky je možné nastavit odpor a razanci zavírání dveří.

Zvolte si variantu:

Cena od 340,00 Kč